内蒙古德明电子科技有限公司产品解决方案 联系电话:15384841043张工
粮仓,作为粮食存储的地点,其重要性不言而喻。粮仓的安全与否,于国于民都是影响饭碗的大事,因此需要时刻关注粮仓的安全。
粮仓环境监控系统解决方案,采用物联网、传感器、自动控制等技术,带有LCD显示和键盘操作,能够自动监测并调节粮仓内的温度、湿度,并具有气体排放功能,加湿、除湿控制功能和升温、降温控制功能。实时全面地掌握粮库内的温湿度变化,一旦发现异常及时作出正确处理,保证粮食长期安全存储。

智慧粮仓
功能介绍
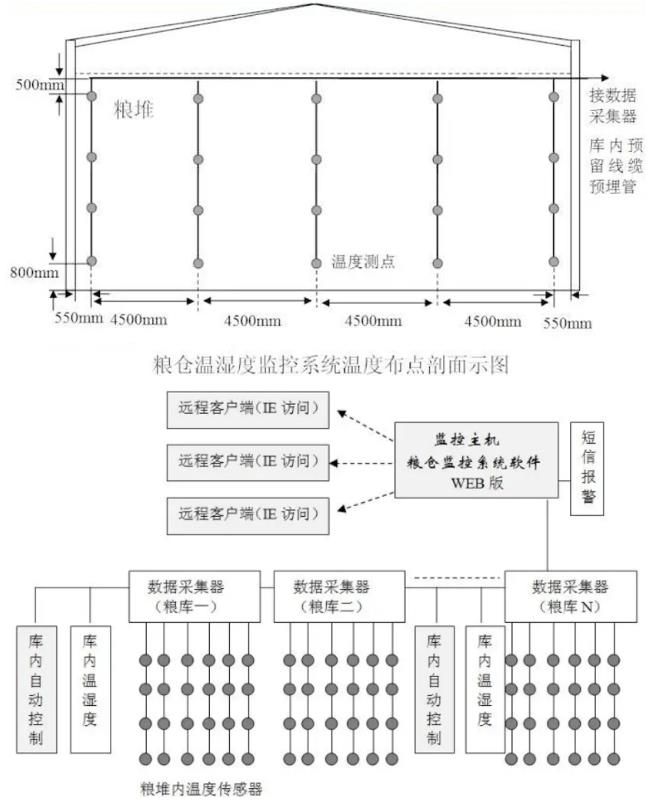
(1)在线监测:

上位管理主机可选用物联网感知应用平台或者是为客户专门定制的操作监测平台。能够实现检测、查询、运算、建模、统计、控制、存储、分析、报警等多项功能。
管理界面
现场控制监测点的数量由粮仓的面积和数量决定。主要由数字温湿度变送器、数据采集仪、通讯转换器、通讯线缆、配电控制柜及安装附件组成。所有监测点的温湿度测量值最终转换为数字信号,被传送到上位管理主机。通过配套的数据管理软件对数据进行分析、处理、存储、打印等。
(2)控制方式:
可以联动控制空调、加湿器、除湿机、风机、电磁阀等设备,与系统联动管理。具备手动、自动、远程三者控制方式,三者之间可灵活切换。

示意图
自动控制:根据设定的参数,智能控制箱按照预先编制的程序自动运行。
手动控制:根据需要,可以选择现场手动控制方式,任意启动各种模式。
远程控制:集中监控值班中心室能够实时显示并自动记录粮仓内的监测数据以及外围设备的工作状态,远程设定对每台控制箱的工作参数,自动报警提示并记录报警发生的时间及报警原因。
(3)智能报警:
灵活配置监控对象的报警上限、下限等报警事件,通过声光、手机、短信、电话、微信等多种形式通知负责人及时处理;
一、了解粮仓空调的基本原理
粮仓空调通常采用制冷、制热、通风和除湿等多种功能,以满足不同季节和不同环境下的粮食储存需求。在调节温度和湿度时,首先需要了解空调的基本原理和操作方法,以便更好地进行调控。
二、设定合理的温度范围
粮食储存的适宜温度通常在15℃至25℃之间,具体温度取决于粮食类型和储存环境。过高的温度会导致粮食加速陈化,降低品质;而过低的温度则可能使粮食受冻,影响其食用价值。因此,在调节粮仓空调温度时,应根据粮食类型和当地气候条件,设定合理的温度范围,确保粮食处于最佳储存状态。
三、控制湿度在适宜范围
湿度是影响粮食储存安全的重要因素之一。过高的湿度会导致粮食受潮、发霉和变质;而过低的湿度则可能使粮食失去水分,影响其品质和口感。因此,在调节粮仓空调湿度时,应根据粮食类型和储存环境,控制湿度在适宜范围内。一般来说,粮食储存的适宜湿度为60%至70%之间。
粮仓空调

四、定期检查和维护空调设备
为了确保粮仓空调的正常运行和调节效果,应定期检查和维护空调设备。包括清理空调滤网、检查制冷系统、通风系统和除湿系统的工作状况等。同时,还要关注空调设备的能耗和环保性能,选择高效节能的空调设备,减少能源消耗和环境污染。
五、采用先进的粮仓管理系统
随着科技的不断进步,粮仓管理系统也越来越智能化和高效化。通过采用先进的粮仓管理系统,可以实时监测粮仓内的温度和湿度变化,并根据实际情况自动调节空调设备的运行参数。这不仅可以提高粮食储存的安全性和稳定性,还能降低人力成本和提高管理效率。
六、加强粮食储存知识的普及和培训
粮食储存知识和技能的普及和培训对于提高粮食储存安全具有重要意义。通过加强对粮食储存人员的培训和教育,可以提高他们的专业素质和技能水平,使他们更好地掌握粮仓空调的温度和湿度调节技术,确保粮食储存的安全和稳定。

综上所述,合理调节粮仓空调的温度和湿度是确保粮食储存安全和品质的关键环节。通过了解空调基本原理、设定合理温度范围、控制湿度在适宜范围、定期检查和维护空调设备、采用先进的粮仓管理系统以及加强粮食储存知识的普及和培训等措施,可以有效地提高粮食储存的安全性和稳定性,为保障国家粮食安全和人民群众的饮食健康做出积极贡献。